
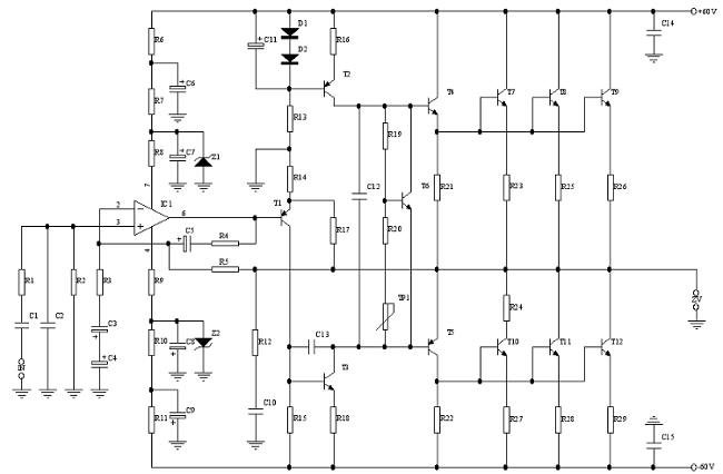
| Resistors | Capacitors | Semicondutor |
|---|---|---|
| R1 = 5k6 R2 = 33k R4 = 2k7 R5 = 33k R8 = R9 = 100Ω R12 = 150Ω R13 = 27k R14 = 1k5 R15 = 470Ω R16 = 68Ω R17 = 27k R18 = 68Ω R19 = 1k R20 = 470Ω R21 = R22 = 68Ω R25 - R29 = R23 - R24 |
C1 = 220n (470n) C9 = 100uF/63v |
T1 = BD 140 T2 = MJE 15031* T3 = MJE 15030* T4 = MJE 15030* T5 = MJE 15031* T6 = BD 139 T7 – T12 = MJ 15003 TP1 = 470Ω IC1 = TL 071 Z1 = Z2 =15v D1 = D2 = DUS |
| Power | Transistor | R6,R7,R10,R11 | R23 - R24 | R3 |
|---|---|---|---|---|
| 200W | 4x MJ 15003* | 3k3/0,25w | 0,27Ω/5W | 820 Ω |
| 300W | 4x MJ 15003 | 4k7/0,25w | 0,12 Ω/5W | 680 Ω |
| 400W | 6x MJ 15003 | 5k6/0,25w | 0,18 Ω/5W | 560 Ω |
| 500W | 8x MJ 15003 | 5k6/0,25w | 0,22 Ω/5W | 470 Ω |

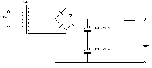
| Power / Out Impedance | Transformer | Power Transf | Elect. Capacitor |
|---|---|---|---|
| 200w/4 Ω | 2x36v | 300w | 2x10.000uF/80v |
| 300w/4 Ω | 2x44v | 400w | 2x15.000uF/80v |
| 400w/4 Ω | 2x49v | 550w | 2x20.000uF/100v |
| 500w/4 Ω | 2x54v | 650w | 2x20.000uF/100v |
This pcb isn't in real scale, be carefull
