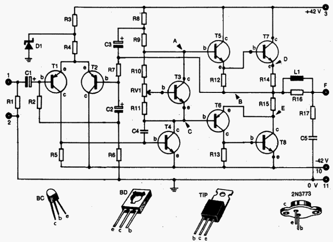
Output can use 2(out=90W) or 4(out=130W) audio power transistors.
Use T3 on Heatsink
| Component | Ref./Value | Type |
|---|---|---|
| R1 | 120K | 1/4W Resistor |
| R2 | 3K3 | 1/2W Resistor |
| R3 | 5K6 | 1/4W Resistor |
| R4 | 3K3 | 1/4W Resistor |
| R5 | 680R | 1/4W Resistor |
| R6 | 120R | 1/4W Resistor |
| R7 | 3K3 | 1/4W Resistor |
| R8 | 1K2 | 1/4W Resistor |
| R9 | 2K7 | 1/4W Resistor |
| R10 | 1K5 | 1/4W Resistor |
| R11 | 680R | 1/4W Resistor |
| R12 | 120R | 1/4W Resistor |
| R13 | 120R | 1/4W Resistor |
| R14 | 0,33R | 5W Resistor |
| R15 | 0,33r | 5W Resistor |
| R16 | 10R | 1W Resistor |
| R17 | 10R | 1W Resistor |
| C1 | 10uF | 16V Electrolytic Capacitor |
| C2 | 330µF | 16V Electrolytic Capacitor |
| C3 | 470uF | 35V Electrolytic Capacitor |
| C4 | 150pF | Ceramic Capacitor |
| C5 | 100nF | 100V Polyester Capacitor |
| RV1 | 1K | Trimpot |
| D1 | 9V1 - 500mW | Zener |
| T1 | BC557 | PNP transistor |
| T2 | BC557 | PNP transistor |
| T3 | BC548 | NPN transistor |
| T4 | BD137 | NPN transistor |
| T5 | BD137 | NPN transistor |
| T6 | BD138 | PNP transistor |
| T7 | 2N3773 | NPN transistor |
| T8 | 2N3773 | NPN transistor |
| L1 | coil | largest number of turns rolled in R16 with AWG22 |
|
![]() |
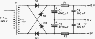
| Component | Ref./Value | Type |
|---|---|---|
| T1 | 30+30 - 3,5A | Transformer |
| D1-D2-D3-D4 | Rectifier 5A - 150V | Diode |
| C1-C2 | 4700uF | 50V Electrolytic Capacitor |
| F1-F2 | 3A | Fuse |
| C3-C4 | 100nF | 100V Polyester |