Principle of trip circuit

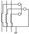
Referring to (Fig. 2) the three current transformers and relay coils connected in star and the star point is earthed. When short circuit occurs in the protected zone the secondary current of CT's increases.       

 These current flows through relay coils and the relay picks-up, the relay contacts close, thereby the trip circuit is closed and the circuit breaker-operates The over-current protection scheme with three over-current relays (Fig. 2) responds to phase faults and earth faults including single-phase to earth fault.
Therefore such schemes are used with solidly earthed systems where phase to phase and phase to earth faults are likely to occur.

For proper functioning of over-current and earth fault protection, the choice of CT's and polarity connections should be correct.


Fig.2)  Over Current protection with three phase OC relays

Methods of CT Connections in Over-current Protection of 3-Phase Circuits

v                 Connection Scheme with Three Over-current Relays

Over-current protection can be achieved by means of three over-current relays or by two over-current relays (See Table 1).
Table 1

 

Fig

Description

Note

1

One OC with one CT for over load protection.

For balanced load only.

2

Two OC relays with two CT's for phase to phase fault protection

 

3

Three OC relays with three CT's for phase to phase fault protection. 

EF current > two time pick-up phase current

4

Three OC relays with three CT's for phase to phase fault protection and phase to earth fault. 

EF setting less than phase fault setting

5

Two OC and one EF relays for phase to phase and phase to earth fault protection

 

v          Earth-Fault Protection

When the fault current flows through earth return path, the fault is called Earth Fault. Other faults which do not involve earth are called phase faults. Since earth faults are relatively frequent, earth fault protection is necessary in most cases. When separate earth fault protection is not economical, the phase relays sense the earth fault currents. However such protection lacks sensitivity. Hence separate earth fault protection is generally provided. Earth fault protection senses earth fault current. Following are the method of earth fault protection.

v          Connections of CT's for Earth-fault Protection

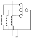
 1. Residually connected Earth-fault Relay

Referring to Fig. 3 In absence of earth-fault the vector sum of three line currents is zero. Hence the vector sum of three secondary currents is also zero.

IR+IY+IB=0

The sum (IR+IY+IB) is called residual current

The earth-fault relay is connected such that the residual current flows through it (Figs.3 and Fig. 4), in the absence of earth-fault,

Therefore, the residually connected earth-fault relay does not operate. However, in presence of earth fault the conditions is disturbed and (IR+IY+IB) is no more zero. Hence flows through the earth-fault relay. If the residual current is above the pick-up value, the earth-fault relay operates.

 In the scheme discussed here the earth-fault at any location near or away from the location of CT's can cause the residual current flow. Hence the protected

zone is not definite. Such protection is called unrestricted earth-fault protection


(Fig.3) Earth-fault Relay connected in Residual Circuit.
 


(Fig.4)  Earth fault protection combined with phase fault protection

  Previous Next