矽控整流器(Silicon Controlled Rectifier)
矽控整流器(Silicon Controlled Rectifier)簡稱SCR,是一種三端點的閘流體(thyristor)元件,用以控制流到負載的電流。SCR的電路符號如圖所示。其中A極是陽極(anode)、K是陰極(cathode)、G是閘極(gate)。
閘極的電壓必須比陰極高,才會形成P-N順向導通,這時若A極的電壓大於陰極,就會如同二極體一般的導通。 一旦進入導通狀態,除非SCR電流小於 Ih,否則 SCR 會持續的導通。
缺點是無法用於高頻工作,易受雜訊電壓尖突(voltage spike)而錯誤導通,工作溫度範圍有限制。

SCR的特性如圖所示,在(0)-(1)之間是順向阻擋或截止區。(1)是是轉折(breakover)點,此時的電壓是VBF,電流是IS(亦稱為導通電流)。導通後,電壓下降,電流會迅速增加,進入導通區(2)-(3)。
1. 當 SCR順向電壓大於 VBF 時導通。
2. 其觸發電壓 VBF 可由閘極電流 iG 的大小加以控制。
3. 當 SCR電流小於 Ih 時截止。
4. SCR在反向偏壓時,阻斷所有反向電流;除非反向偏壓超過最大值VBR。
若在SCR的閘極加上一短暫的脈波電流,SCR就會導通,其閘極電流IG從閘極經過陰極流出。SCR的閘極和陰極之間的pn接面為標準型二極體接面,但要使此接面有閘極電流IG,加在閘極和陰極間之電壓VGK應稍大於0.6V,大部份SCR導通所需的閘極電流IGT約在0.1到50 mA之間。

當SCR的閘極加上順向電壓時,SCR被觸發導通。在閘極與陰極間加順向偏壓VGG,調整VGG大小,發現愈大的IG電流,SCR在VAK陽極-陰極之間所需的 導通電壓愈小,且SCR的保持電流IH也會稍為降低。 如圖所示,當IG=0,所需的導通電壓VF(BO)最大;在IG1時,導通電壓降到V1;在IG4時,導通電壓降到V4。

一個簡單的SCR半波(half wave)控制電路。

使用三用電錶判別SCR的方法
首先判別閘極到陰極之間的接面:
1. 將三用電錶撥到測量電組R檔。
2. 將三用電錶的紅色測試棒(負電壓)接SCR的陰極K,黑色測試棒(正電壓)接閘極G,這時SCR應該導通。
3. 根據上述的方法,只要將SCR的三支腳反覆地測試,就可分辨A、G、K三極。
判別SCR正常的方法:
1. 將三用電錶撥到測量電組R檔。
2. 將三用電錶的紅色測試棒(負電壓)接SCR的陰極,黑色測試棒(正電壓)接陽極,這時SCR不會導通。將黑棒的分支同時接觸閘極時,SCR就會導通,小心地將黑棒分支移開閘極(但是黑棒絕對不能離開陽極),SCR仍然會保持著導通的狀態。
SCR的三支接腳(A、G、K)因包裝而不同。

SCR導通的基本方法有以下三種:
1.閘極加順向電壓觸發方式
2.陽極順向崩潰導通方式
3.電壓或電流變動速率過高的導通方式
以閘極電壓觸發SCR的導通方式
順向崩潰的導通方式 電壓變動比率(dv/dt)過高的導通方式

在SCR的電路,防止dv/dt過大造成誤動作的對策。

在SCR的電路,預防di/dt過大,可在陽極上串聯一個小電感,如圖。電感對瞬間電流會產生反電動勢(counter electromotive force,CEMF)或呈開路,達到保護作用。
SCR關閉或截止的基本方式
SCR一旦被觸發後,就與閘極無關。因此,使SCR截止的方法,應從陽極A與陰極K之間的關係著手。
要使SCR關閉沒有電流,所需的總時間為截止時間(turn off time,toff),通常SCR toff時間在10至200μs之間。
關閉或截止SCR有兩種基本方式:
1. 使陽極電流為零,或給與相反方向的電流,使電流在保持電流(holding current)IH以下。
2. 使陽極電壓為零,或給與相反極性的電壓,強迫SCR關閉。
使SCR關閉的電路約可歸納為以下四種。
(a). 阻止陽極電流流過SCR,使SCR截止
(b). 利用反向電流,使SCR截止
(c). 利用變換電容的電壓方向強迫SCR截止
(d). 利用瞬間短路的方法

使用換向電路(commutation circuit)關閉SCR:
當SCR1閘極觸發後,負載電流IL導通。電感L1的左半在負載電路上。當負載電流增加,電流經L1,產生磁場,使L1的右半感應一個正電壓。此正電壓使電容C充電。二極體D阻止C經負載電源和電感放電。當SCR2的閘極被觸發而導通,電容被接到跨於SCR1之上。此時C的正極接到SCR1的陰極,負端接到SCR1的陽極。電容C使SCR1逆向偏壓,將它截止。

傳導角就是當SCR導通期間內,在整個2π週期內所佔的角度數。
當導火延遲角為60°,圖(b)顯示SCR端電壓VAK,和負載端電壓的理想波形。
當導火延遲角為120°,圖 (c)顯示SCR端電壓VAK,和負載端電壓的理想波形。
SCR簡單的觸發電路,圖(b)和(c)顯示不同 VAK和IG的波形 。
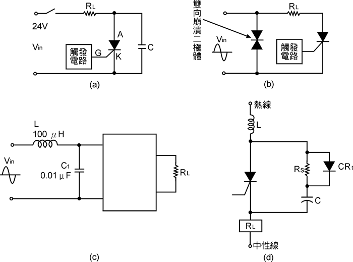
改良的SCR閘極控制電路,最簡易的方法是在閘極電阻之下,接上一個電容器,如圖所示。此電路最大的優點為:可擴充調整導火延遲角的角度,並不侷限於90°之內。圖中可變電位計(potentiometer)R2的值愈大,電容C充電需要較長時間,因此SCR的導火延遲角愈大。
改良的SCR閘極控制電路,在圖(a)的閘極接線上多加一電阻R3,使得電容之正電壓須超過0.6 V才能觸發SCR。又因加入電組R3,電容C的電壓也要再高一些,方能有足夠的閘極觸發電流IGT流經電組R3而進入閘極。因為電容C所需的電壓較高,故可使導火延遲角更加大。
以 蕭克萊二極體(Shockley diode 小信號肖克利二極體已不再生產) 控制的 SCR閘極控制電路,前述的閘極控制電路都有溫度效應,導火動作不一致的缺點。改為使用定壓轉態(breakover)元件如 蕭克萊二極體(Shockley diode)以控制閘極的導火角。
單向全波控制電路,使用兩個不同的觸發電路,分別來觸發兩個SCR。實際上,通常使用單一觸發元件來完成雙半週的觸發工作,即單一觸發電路完成雙半週觸發工作,可確保此兩半週具有相同的導火延遲角。

圖(a)為SCR的另一組雙向全波控制電路,在此電路中,SCR1在正半週時導火,而SCR2則於負半週時導火,流向負載的電流為雙向。圖(b)為另一種電路的接法,圖(c)為其負載電壓的波形,導火延遲角約為120° 。
圖4.36(a)係以單一的SCR來控制交流電源兩半週的全波橋式電路。負載一端接四個二極體A~D組成的電橋(diode bridge),另一端接電源線,當電源於正半週時,二極體A和二極體C都是順向偏壓,當SCR導火時,電源電壓可提供負載。當電源於負半週時,二極體B和二極體D形成順向偏壓,當SCR導火時,交流電源也供應到負載上,但供應負載電流和正半週反向。故負載電壓波形和上圖相同。

SCR控制的三相電路

